麻豆传媒视频在线播放,麻豆免费版下载安装,麻豆精品国产AV,麻豆视频最新网址

    产品中心

    product center

    Q系列无齿型-麻豆免费版下载安装

    • 产品名称: Q系列无齿型-麻豆免费版下载安装
    • 产品分类: 麻豆视频最新网址(Q系列)
    • 联系方式: 0535-8331991
    • 公司名称: 招远市麻豆传媒视频在线播放机械制造有限公司
    • 公司地址:山东省招远市开发区河东路999号
    • 添加时间: 19/08/21
    产品详情


    麻豆视频最新网址回转支承(Q系列)——无齿型
    结构特点、性能、适用范围 
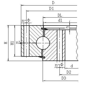
    麻豆视频最新网址回转支承由两个座圈组成,结构紧凑,重量轻,钢球与圆弧滚道四点接触,能同时承受轴向力,径向力和倾翻力矩,回转式输送机,焊接操作机,中小型起重机和挖掘机等工程机械均可选用。

    序号

    型号

    外形尺寸

    安装孔尺寸

    结构
    尺寸

    无齿式

    H

    Du

    Dn

    n

    通孔A

    螺孔B/C/D

    n1油杯
    数量

    h

    D

    d

    φ

    d1

    T

    mm

     

    mm

     

    mm

    1

    QU.315.20

    408

    222

    60

    370

    260

    10

    17

    M16

    24

    2

    10

    QU.315.20A

    2

    QU.355.20

    448

    262

    60

    410

    300

    10

    17

    M16

    24

    2

    10

    QU.355.20A

    3

    QU.400.20

    493

    307

    60

    455

    345

    12

    17

    M16

    24

    2

    10

    QU.400.20A

    4

    QU.450.20

    543

    357

    60

    505

    395

    12

    17

    M16

    24

    2

    10

    QU.450.20A

    5

    QU.500.20

    593

    407

    60

    555

    445

    14

    17

    M16

    24

    2

    10

    QU.500.20A

    6

    QU.560.20

    656

    464

    70

    618

    502

    14

    17

    M16

    30

    2

    10

    QU.560.20A

    7

    QU.630.20

    726

    534

    70

    688

    572

    16

    17

    M16

    30

    2

    10

    QU.630.20A

    8

    QU.710.20

    806

    614

    70

    768

    652

    18

    17

    M16

    30

    2

    10

    QU.710.20A

    9

    QU.800.20

    896

    704

    70

    858

    742

    20

    17

    M16

    30

    2

    10

    QU.800.20A

    10

    QU.800.25

    908

    692

    78

    864

    736

    18

    22

    M20

    36

    2

    10

    QU.800.25A

    11

    QU.900.25

    1008

    792

    78

    964

    836

    20

    22

    M20

    36

    2

    10

    QU.900.25A

    12

    QU.1000.25

    1108

    892

    78

    1064

    936

    24

    22

    M20

    36

    2

    10

    QU.1000.25A

    13

    QU.1000.32

    1124

    876

    90

    1074

    926

    24

    24

    M22

    40

    2

    10

    QU.1000.32A

    14

    QU.1120.32

    1244

    996

    90

    1194

    1046

    28

    24

    M22

    40

    4

    10

    QU.1120.32A

    15

    QU.1250.32

    1374

    1126

    90

    1324

    1176

    32

    24

    M22

    40

    4

    10

    QU.1250.32A

    16

    QU.1400.32

    1524

    1276

    90

    1474

    1326

    36

    24

    M22

    40

    4

    10

    QU.1400.32A

    17

    QU.1250.40

    1394

    1108

    102

    1336

    1164

    32

    26

    M24

    45

    4

    12

    QU.1250.40A

    18

    QU.1400.40

    1544

    1258

    102

    1486

    1314

    36

    26

    M24

    45

    4

    12

    QU.1400.40A

    19

    QU.1600.40

    1744

    1458

    102

    1686

    1514

    40

    26

    M24

    45

    4

    12

    QU.1600.40A

    20

    QU.1800.40

    1944

    1658

    102

    1886

    1714

    44

    26

    M24

    45

    4

    12

    QU.1800.40A

    21

    QU.1600.50

    1766

    1434

    124

    1704

    1496

    40

    30

    M27

    50

    4

    12

    QU.1600.50A

    22

    QU.1800.50

    1966

    1634

    124

    1904

    1696

    44

    30

    M27

    50

    4

    12

    QU.1800.50A

    23

    QU.2000.50

    2166

    1834

    124

    2104

    1896

    48

    30

    M27

    50

    6

    12

    QU.2000.50A

    24

    QU.2240.50

    2406

    2074

    124

    2344

    2136

    54

    30

    M27

    50

    6

    12

    QU.2240.50A

    25

    QU.2500.50

    2666

    2334

    124

    2604

    2396

    60

    30

    M27

    50

    6

    12

    QU.2500.50A

    26

    QU.2500.60

    2696

    2304

    150

    2626

    2374

    60

    33

    M30

    56

    6

    14

    QU.2500.60A

    注: 
    1、n1为润滑油孔数,均布:油杯M10×1 JB/T7940.1-JB/T7940.2
    2、安装孔n-Φ可改用螺孔;齿宽b可改为H-h。
    3、表内齿轮圆周力为大圆周力,额定圆周力取其1/2。


    点击次数:   更新时间:19/08/21 15:36:08  
    网站地图