
product center

麻豆精品国产AV回转支承(HJ系列)——无齿式
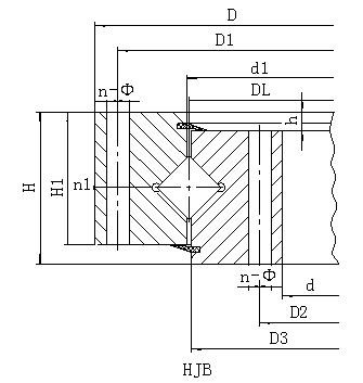
结构特点、性能、适用范围
麻豆精品国产AV回转支承,由两个座圈组成,结构紧凑、重量轻、制造精度高,装配间隙小,对安装精度要求高,滚柱为1:1交叉排列,能同时承受轴向力,倾翻力矩和较大的径向力,被广泛地用于起重运输、工程机械和军工产品上。
序号
无齿式
外型尺寸
安装尺寸
结构尺寸
参考
D
d
H
D1
D2
n
mm
n1
D3
d1
H1
h
1
HJB.20.625
725
525
80
685
565
18
18
3
627
623
68
12
100
2
HJB.20.720
820
620
80
780
660
18
18
3
722
718
68
12
120
3
HJB.30.820
940
705
95
893
749
24
20
4
822
818
83
12
210
4
HJB.30.880
1000
760
95
956
800
24
20
4
882
878
83
12
230
5
HJB.30.1020
1170
875
95
1120
930
24
22
4
1022
1018
80
15
300
6
HJB.36.1220
1365
1075
120
1310
1130
36
24
6
1222
1218
105
15
450
7
HJB.36.1250
1400
1090
120
1350
1150
36
26
6
1252
1248
105
15
520
8
HJB.36.1435
1595
1278
120
1535
1335
36
26
6
1437
1433
105
15
610
9
HJB.45.1540
1720
1360
140
1660
1420
42
26
6
1543
4537
122
18
732
10
HJB.45.1700
1875
1525
140
1815
1585
42
29
6
1703
1697
122
18
844
11
HJB.45.1880
2100
1665
160
2030
1740
48
32
6
1883
1876
140
20
1400
12
HJB.45.2115
2325
1900
160
2245
1980
48
32
6
2118
2112
140
20
1600
13
HJB.45.2370
2600
2146
180
2520
2220
48
32
6
2373
2367
158
22
2100
14
HJB.45.2600
2835
2365
180
2750
2450
54
36
6
2603
2597
158
22
2400
15
HJB.50.2820
3085
2555
200
3000
2640
54
36
6
2823
2817
178
22
3400
16
HJB.50.3120
3400
2840
200
3310
2930
54
36
6
3123
3117
178
22
4000
17
HJB.50.3580
3920
3240
240
3820
3340
60
40
6
3583
3577
218
22
6700
18
HJB.50.4030
4370
3690
240
4270
3790
66
40
6
4033
4027
218
22
7700
19
HJB.50.4540
4860
4210
240
4760
4310
72
40
6
4543
4537
218
22
8760
DL
mm
重量
kg
mm
mm
mm
mm
mm
mm
mm
mm
mm
mm