麻豆传媒视频在线播放,麻豆免费版下载安装,麻豆精品国产AV,麻豆视频最新网址

    产品中心

    product center

    HS系列无齿型

    • 产品名称: HS系列无齿型
    • 产品分类: 麻豆视频最新网址回转支承(HS)
    • 联系方式: 0535-8331991
    • 公司名称: 招远市麻豆传媒视频在线播放机械制造有限公司
    • 公司地址:山东省招远市开发区河东路999号
    • 添加时间: 19/08/21
    产品详情

    麻豆视频最新网址回转支承(HS系列)——无齿式
    结构特点、性能、适用范围 
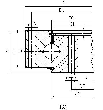
    麻豆视频最新网址回转支承由两个座圈组成,结构紧凑、重量轻、钢球与圆弧滚道四点接触,能同时承受轴向力、径向力和倾翻力矩。回转式输送机、焊接操作机、中小型起重机和挖掘机等工程机械均可选用。

    序号

    无齿式
    DL
    mm

    外型尺寸

    安装尺寸

    结构尺寸

    参考
    重量
    kg

    D
    mm

    d
    mm

    H
    mm

    D1
    mm

    D2
    mm

    n

    mm

    n1
    mm

    D3
    mm

    d1
    mm

    H1
    mm

    h
    mm

    1

    HSB.25.625

    725

    525

    80

    685

    565

    18

    18

    3

    626

    624

    68

    12

    100

    2

    HSB.25.720

    820

    620

    80

    780

    660

    18

    18

    3

    721

    719

    68

    12

    120

    3

    HSB.30.820

    940

    705

    95

    893

    749

    24

    20

    4

    821

    818

    83

    12

    210

    4

    HSB.30.880

    1000

    760

    95

    956

    800

    24

    20

    4

    881

    878

    83

    12

    230

    5

    HSB.30.1020

    1170

    875

    95

    1120

    930

    24

    22

    4

    1021

    1018

    80

    15

    300

    6

    HSB.30.1220

    1365

    1075

    120

    1310

    1130

    36

    24

    6

    1221

    1218

    105

    15

    450

    7

    HSB.35.1250

    1400

    1090

    120

    1350

    1150

    36

    26

    6

    1251

    1248

    105

    15

    520

    8

    HSB.35.1435

    1595

    1278

    120

    1535

    1335

    36

    26

    6

    1436

    1433

    105

    15

    610

    9

    HSB.35.1540

    1720

    1360

    140

    1660

    1420

    42

    26

    6

    1541

    1538

    122

    18

    732

    10

    HSB.35.1700

    1875

    1525

    140

    1815

    1585

    42

    29

    6

    1701

    1698

    122

    18

    844

    11

    HSB.40.1880

    2100

    1665

    160

    2030

    1740

    48

    32

    6

    1881

    1878

    140

    20

    1400

    12

    HSB.40.2115

    2325

    1900

    160

    2245

    1980

    48

    32

    6

    2116

    2113

    140

    20

    1600

    13

    HSB.40.2370

    2600

    2146

    180

    2520

    2220

    48

    32

    6

    2371

    2368

    158

    22

    2100

    14

    HSB.40.2600

    2835

    2365

    180

    2750

    2450

    54

    36

    6

    2601

    2598

    158

    22

    2400

    15

    HSB.50.2820

    3085

    2555

    200

    3000

    2640

    54

    36

    6

    2822

    2818

    178

    22

    3400

    16

    HSB.50.3120

    3400

    2840

    200

    3310

    2930

    54

    36

    6

    3122

    3118

    178

    22

    4000

    17

    HSB.50.3580

    3920

    3240

    240

    3820

    3340

    60

    40

    6

    3582

    3578

    218

    22

    6700

    18

    HSB.50.4030

    4370

    3690

    240

    4270

    3790

    66

    40

    6

    4032

    4028

    218

    22

    7700

    19

    HSB.50.4540

    4860

    4210

    240

    4760

    4310

    72

    40

    6

    4542

    4538

    218

    22

    8760

    注: 
    1、n1为润滑油孔数,均布:油杯M10×1 JB/T7940.1-TB7940.2.
    2、安装孔n-Φ可改用螺孔;齿宽b可改为H-h。


    以上是关于HS系列无齿型厂家,HS系列无齿型价格,HS系列无齿型哪家好的详细介绍
    地区产品: 广东HS系列无齿型,北京HS系列无齿型,天津HS系列无齿型,马鞍山HS系列无齿型,山东HS系列无齿型,江苏HS系列无齿型,徐州HS系列无齿型,成都HS系列无齿型,四川HS系列无齿型。
    点击次数:   更新时间:19/08/21 15:25:08  
    网站地图