
product center

麻豆视频最新网址回转支承(01系列)——外齿式
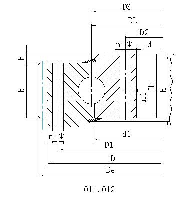
结构特点、性能、适用范围
麻豆视频最新网址回转支承由两个座圈组成,结构紧凑、重量轻、钢球与圆弧滚道四点接触,能同时承受轴向力、径向力和倾翻力矩。回转式输送机、焊接操作机、中小型起重机和挖掘机等工程机械均可选用。
序号
外齿式
外型尺寸
安装尺寸
结构尺寸
齿轮参数
齿轮圆周力
参考
D
d
H
D1
D2 mm
n
mm
dm
L
n1
D3
d1
H1
h
b
x
M
De
z
正火
调质
1
011.20.200
280
120
60
248
152
12
16
M14
28
2
201
199
50
10
40
0
3
300
98
1.5
2.1
24
2
011.20.224
304
144
60
272
176
12
16
M14
28
2
225
223
50
10
40
0
3
321
105
1.5
2.1
25
3
011.20.250
330
170
60
298
202
18
16
M14
28
2
251
249
50
10
40
0
4
352
86
2.1
2.8
30
4
011.20.280
360
200
60
328
232
18
16
M14
28
2
281
279
50
10
40
0
4
384
94
1.5
2.8
34
5
011.25.315
408
222
70
372
258
20
18
M16
32
2
316
314
60
10
50
0
5
435
85
2.9
4.4
52
6
011.25.355
448
262
70
412
298
20
18
M16
32
2
356
354
60
10
50
0
5
475
93
2.9
4.4
59
7
011.25.400
493
307
70
457
343
20
18
M16
32
2
401
399
60
10
50
0
6
528
86
3.5
5.3
69
8
011.25.450
543
357
70
507
393
20
18
M16
32
2
451
449
60
10
50
0
6
576
94
3.5
5.3
76
9
011.30.500
602
398
80
566
434
20
18
M16
32
4
501
498
70
10
60
0.5
5
629
123
3.7
5.2
85
012.30.500
6
628.8
102
4.5
6.2
9’
011.25.500
602
398
80
566
434
20
18
M16
32
4
501
499
70
10
60
0.5
5
629
123
3.7
5.2
85
012.25.500
6
628.8
102
4.5
6.2
10
011.30.560
662
458
80
626
494
20
18
M16
32
4
561
558
70
10
60
0.5
5
689
135
3.7
5.2
95
012.30.560
6
688.8
112
4.5
6.2
10’
011.25.560
662
458
80
626
494
20
18
M16
32
4
561
559
70
10
60
0.5
5
689
135
3.7
5.2
95
012.25. 560
6
688.8
112
4.5
6.2
11
011.30.630
732
528
80
696
564
24
18
M16
32
4
631
628
70
10
60
0.5
6
772.8
126
4.5
6.2
110
012.30.630
8
774.4
94
6
8.3
11’
011.25.630
732
528
80
696
564
24
18
M16
32
4
631
629
70
10
60
0.5
6
772.8
126
4.5
6.2
110
012.25.630
8
774.4
94
6
8.2
12
011.30.710
812
608
80
776
644
24
18
M16
32
4
711
708
70
10
60
0.5
6
850.8
139
4.5
6.2
120
012.30.710
8
854.4
104
6
8.3
12’
011.25.710
812
608
80
776
644
24
18
M16
32
4
711
709
70
10
60
0.5
6
850.8
139
4.5
6.2
120
012.25.710
8
854.4
104
6
8.9
13
011.40.800
922
678
100
878
722
30
22
M20
40
6
801
798
90
10
80
0.5
8
966.4
118
8
11.1
220
012.40.800
10
968
94
10
14
13’
011.30.800
922
678
100
878
722
30
22
M20
40
6
801
798
90
10
80
0.5
8
966.4
118
8
11.1
220
012.30.800
10
968
94
10
14.1
14
011.40.900
1022
778
100
978
822
30
22
M20
40
6
901
898
90
10
80
0.5
8
1062.4
130
8
11.1
240
012.40.900
10
1068
104
10
14
14’
011.30.900
1022
778
100
978
822
30
22
M20
40
6
901
898
90
10
80
0.5
8
1062.4
130
8
11.1
240
012.30.900
10
1068
104
10
14
15
011.40.1000
1122
878
100
1078
922
36
22
M20
40
6
1001
998
90
10
80
0.5
10
1188
116
10
14
270
012.40.1000
12
1185.6
96
12
16.7
15’
011.30.1000
1122
878
100
1078
922
36
22
M20
40
6
1001
998
90
10
80
0.5
10
1188
116
10
14
270
012.30.1000
12
1185.6
96
12
16.7
16
011.40.1120
1242
998
100
1198
1042
36
22
M20
40
6
1121
1118
90
10
80
0.5
10
1298
127
10
14
300
012.40.1120
12
1305.6
106
12
16.7
16’
011.30.1120
1242
998
100
1198
1042
36
22
M20
40
6
1121
1118
90
10
80
0.5
10
1298
127
10
14
300
012.30.1120
12
1305.6
106
12
16.7
17
011.45.1250
1390
1110
110
1337
1163
40
26
M24
48
5
1252
1248
100
10
90
0.5
12
1449.6
118
13.5
18.8
420
012.45.1250
14
1453.2
101
15.8
21.9
17’
011.35.1250
1390
1110
110
1337
1163
40
26
M24
48
5
1251
1248
100
10<, /P>
90
0.5
12
1449.6
118
13.5
18.8
420
012.35.1250
14
1453.2
101
15.8
21.9
18
011.45.1400
1540
1260
110
1487
1313
40
26
M24
48
5
1402
1398
100
10
90
0.5
12
1605.6
131
13.5
18.8
480
012.45.1400
14
1607.2
112
15.5
21.9
18’
011.35.1400
1540
1260
110
1487
1313
40
26
M24
48
5
1401
1398
100
10
90
0.5
12
1605.6
131
13.5
18.8
480
012.35.1400
14
1607.2
112
15.8
21.9
19
011.45.1600
1740
1460
110
1687
1513
45
26
M24
48
5
1602
1598
100
10
90
0.5
14
1817.2
127
15.8
21.9
550
012.45.1600
16
1820.8
111
18.1
25
19’
011.35.1600
1740
1460
110
1687
1513
45
26
M24
48
5
1601
1598
100
10
90
0.5
14
1817.2
127
15.8
21.9
550
012.35.1600
16
1820.8
111
18.1
25
20
011.45.1800
1940
1660
110
1887
1713
45
26
M24
48
5
1802
1798
100
10
90
0.5
14
2013.2
141
15.8
21.9
610
012.45.1800
16
2012.8
123
18.1
25
20’
011.35.1800
1940
1660
110
1887
1713
45
26
M24
48
5
1801
1798
100
10
90
0.5
14
2013.2
141
15.8
21.9
610
012.35.1800
16
2012.8
123
18.1
25
21
011.60.2000
2178
1825
144
2110
1891
48
33
M30
60
8
2002
1998
132
12
120
0.5
16
2268.8
139
24.1
33.3
1100
012.60.2000
18
2264.4
123
27.1
37.5
21’
011.40.2000
2178
1825
144
2110
1891
48
33
M30
60
8
2001
1998
132
12
120
0.5
16
2268.8
139
24.1
33.3
1100
012.40.2000
18
2264.4
123
27.1
37.5
22
011.60.2240
2418
2065
144
2350
2131
48
33
M30
60
8
2242
2238
132
12
120
0.5
16
2492.8
153
24.1
33.3
1250
012.60.2240
18
2498.4
136
27.1
37.5
22’
011.40.2240
2418
2065
144
2350
2131
48
33
M30
60
8
2241
2238
132
12
120
0.5
16
2492.8
153
24.1
33.3
1250
012.40.2240
18
2498.4
136
27.1
37.5
23
011.60.2500
2678
2325
144
2610
2391
56
33
M30
60
8
2502
2498
132
12
120
0.5
18
2768.4
151
27.1
37.5
1400
012.60.2500
20
2776
136
30.1
41.8
23’
011.40.2500
2678
2325
144
2610
2391
56
33
M30
60
8
2501
2498
132
12
120
0.5
18
2768.4
151
27.1
37.5
1400
012.40.2500
20
2776
136
30.1
41.8
24
011.60.2800
2978
2625
144
2910
2691
56
33
M30
60
8
2802
2798
132
12
120
0.5
18
3074.4
168
27.1
37.5
1600
012.60.2800
20
3076
151
30.1
41.8
24’
011.40.2800
2978
2625
144
2910
2691
56
33
M30
60
8
2802
2798
132
12
120
0.5
18
3074.4
168
27.1
37.5
1600
012.40.2800
20
3076
151
30.1
41.8
25
011.75.3150
3376
2922
174
3286
3014
56
45
M42
84
8
3152
3147
162
12
150
0.5
20
3476
171
37.7
52.2
2800
012.75.3150
22
3471.6
155
41.5
57.4
25’
011.50.3150
3376
2922
174
3286
3014
56
45
M42
84
8
3152
3147
162
12
150
0.5
20
3476
171
37.7
52.2
2800
012.50.3150
22
3471.6
155
41.5
57.4
26
011.75.3550
3776
3322
174
3686
3414
56
45
M42
84
8
3552
3547
162
12
150
0.5
20
3876
191
37.7
51.7
3500
012.75.3550
22
3889.6
174
41.5
57
26’
011.50.3550
3776
3322
174
3686
3414
56
45
M42
84
10
3552
3548
162
12
150
0.5
20
3876
191
37.7
51.7
3500
012.50.3550
22
3889.6
174
41.5
57
27
011.75.4000
4226
3772
174
4136
3864
60
45
M42
84
10
4002
3997
162
12
150
0.5
22
4329.6
194
41.5
57
4200
012.75.4000
25
4345
171
47.1
64.6
27’
011.50.4000
4226
3772
174
4136
3864
60
45
M42
84
10
4002
3998
162
12
150
0.5
22
4329.6
194
41.5
57
4200
012.50.4000
25
4345
171
47.1
64.6
28
011.75.4500
4726
4272
174
4636
4364
60
45
M42
84
10
4502
4497
162
12
150
0.5
22
4329.6
217
41.5
57
5100
012.75.4500
25
4345
191
47.1
64.6
28’
011.50.4500
4726
4272
174
4636
4364
60
45
M42
84
10
4502
4498
162
12
150
0.5
22
4835.6
217
41.5
57
5100
012.50.4500
25
4845
191
47.1
64.6
DL
mm
重量
kg
mm
mm
mm
mm
mm
mm
mm
mm
mm
mm
mm
mm
mm
mm
Z 104N
T 104N
注:
1、n1为润滑油孔数,均布:油杯M10×1 JB/T7940.1-JB/T7940.2
2、安装孔n-dn1、n-dn2可改用螺孔;齿宽b可改为H-h。
3、表内齿轮圆周力为大圆周力,额定圆周力取其1/2。
4、外齿修顶系数为0.1。