麻豆传媒视频在线播放,麻豆免费版下载安装,麻豆精品国产AV,麻豆视频最新网址

    产品中心

    product center

    三排滚柱式内齿型麻豆免费版下载安装

    • 产品名称: 三排滚柱式内齿型麻豆免费版下载安装
    • 产品分类: 三排滚柱式(13系列)
    • 联系方式: 0535-8331991
    • 公司名称: 招远市麻豆传媒视频在线播放机械制造有限公司
    • 公司地址:山东省招远市开发区河东路999号
    • 添加时间: 19/08/21
    产品详情


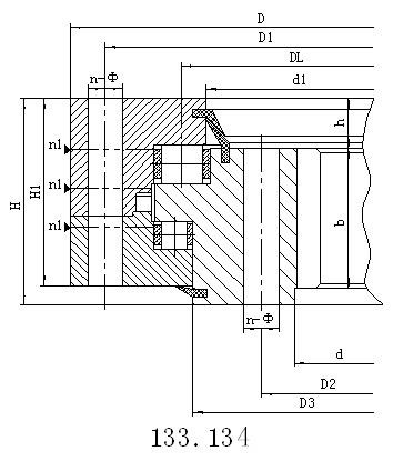
    三排滚柱式回转支承(13系列)——内齿式
    结构特点、性能、适用范围 
    三排滚柱式回转支承有三个座圈,上 下及径向滚道各自分开,使得每一排滚柱的负载都能确切地加以确定。能够同时承受各种载荷,是四种产品中承载能力较大的一种,轴、径向尺寸都较大,结构牢 固,特别适用于要求较大直径的重型机械,如斗轮式挖掘机、轮式起重机、船用起重机、港口起重机、钢水运转台及大吨位汽车起重机等机械上。



    点击次数:   更新时间:19/08/21 15:04:08  
    网站地图